SG4,Brand: CELDUC : SINGLE PHASE ANGLE CONTROLLERS
รหัสสินค้า : SG4
| ราคา |
0.00 ฿ |
| จำนวนที่จะซื้อ | |
| ราคารวม | 0.00 ฿ |
สินค้าไม่เพียงพอ
สินค้าหมด
คุณสมบัติ SINGLE PHASE ANGLE CONTROLLERS ยี่ห้อ CELDUC
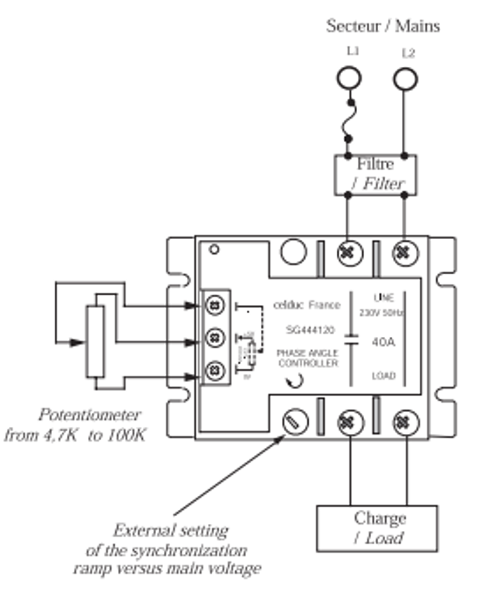
SG4 series โซลิดสเตทรีเลย์ แบบ Phase angle control โดยจะควบคุมที่มุมเฟสเพื่อทำให้กำลังไฟฟ้าของโหลดเปลี่ยนแปลงไป ซึ่งสามารถควบคุมให้โหลดทำงานมากหรือน้อยตามต้องการ เช่นความคุมความสว่างของหลอดไฟควบคุมความร้อนของฮีตเตอร์ ควบคุมความเร็วของมอเตอร์ เป็นต้น โดยรับสัญญาณอินพุต เป็น 0-10 VDC,4-20mA หรือ 0-5VDC สำหรับรุ่น อินพุตรับ 0-5VDC สามารถต่อเข้ากับโวลลุ่มได้โดยตรง
ข้อมูลทางเทคนิค
ขนาดและมิติ
การต่อใข้งาน



























