KS,Brand: GEFRAN : Pressure Transmitter เป็นตัวแปลงแรงดันออกเป็นสัญญาณ Analog
รหัสสินค้า : KS
| ราคา |
0.00 ฿ |
| จำนวนที่จะซื้อ | |
| ราคารวม | 0.00 ฿ |
สินค้าไม่เพียงพอ
สินค้าหมด
คุณสมบัติ Pressure Transmitter
• Range 1-1000 bar.
• Output 0-10VDC, 4-20mA
• มีขนาดเล็กกะทัดรัด
• วัสดุทำจาก Stainless steel
• SIL 2 certified according to IEC62061:2005
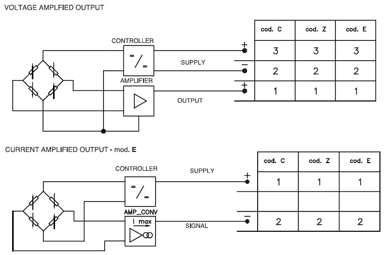
การทำงาน Pressure Transmitter
KS Transmitter เป็นตัวแปลงแรงดันออกเป็นสัญญาณ Analog 0-10VDC หรือ 4-20mA โครงสร้างแข็งแรงทำด้วย Stainless steel มีความกะทัดรัด เหมาะสำหรับวัดแรงดันของ Hydraulics เช่น เครื่อง Press, Pumps, Vibration, Pressure and Temperature peak.
ข้อมูลทางเทคนิค
ขนาดและมิติ
การต่อใช้งาน
การสั่งซื้อ




























